Les systèmes de redresseurs ESB 48 V CC 200 A ont été spécialement conçus pour le projet de modernisation des stations de base de télécommunications en Amérique du Sud. Ces systèmes robustes fournissent l'énergie nécessaire aux équipements des stations, garantissant un fonctionnement continu même dans des conditions difficiles et améliorant ainsi la stabilité des services de communication.
Vue d'ensemble du système
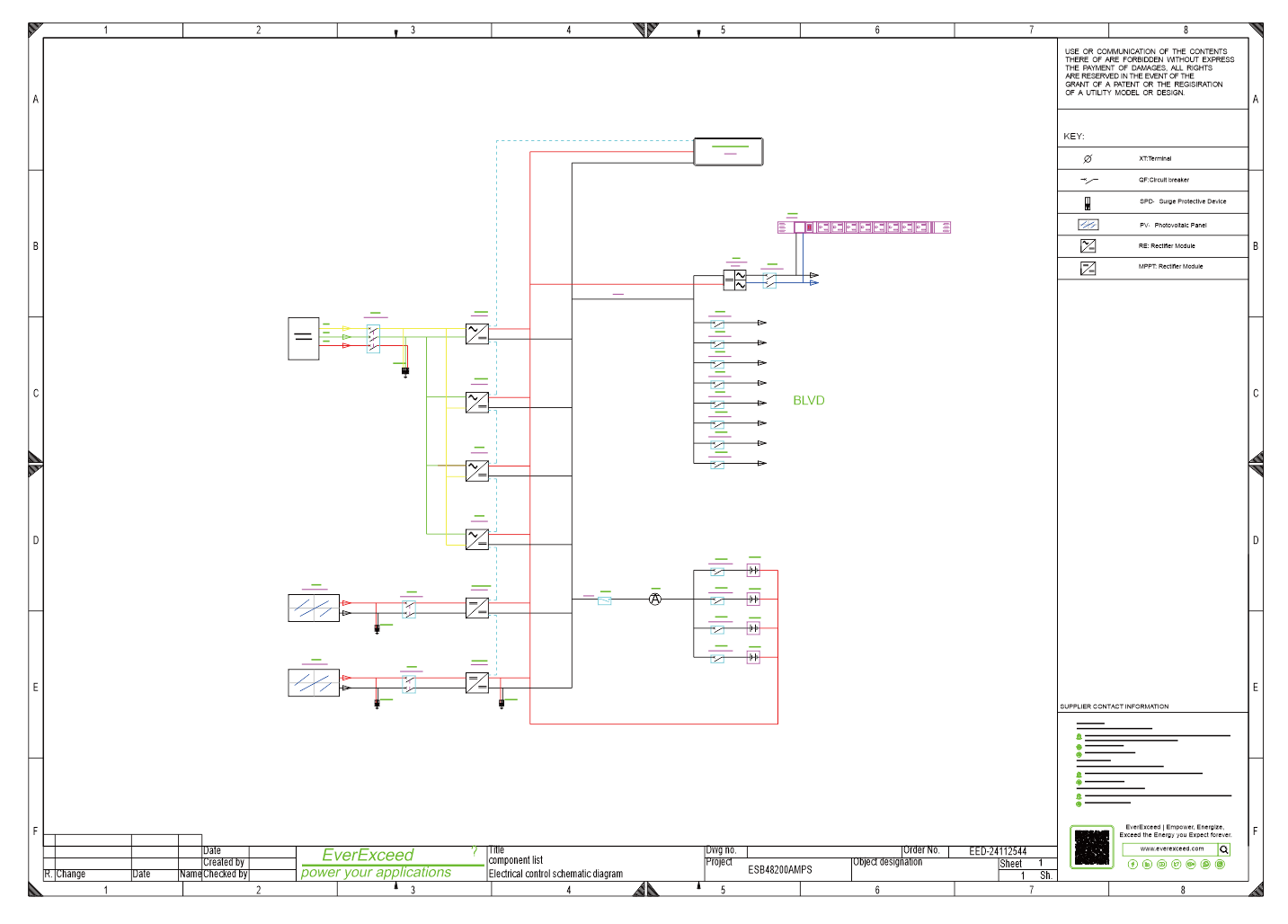
Les systèmes de redresseurs télécoms personnalisés de la série ESB sont conçus selon le concept d'un « système d'alimentation de station de base multifonctionnel intégré ». Ils comprennent le module redresseur, le module MPPT solaire, l'onduleur, la batterie au lithium, le module de surveillance, l'unité de distribution d'énergie (PDU) et l'armoire de station de base sur une seule plateforme.
| Spécifications générales | Spécifications générales | |
| Modèle | ESB48VDC200A |
|
| Température de fonctionnement | -10°C à +45°C | |
| Température de stockage | -25°C à 70°C (batteries exclues) | |
| Humidité relative | 5 % à 95 % HR (sans condensation d'humidité) | |
| Altitude | 2000 m max sans détarage | |
| Ventilateur de refroidissement | 21W*2 | |
| Indice de protection IP | IP20 | |
| Dimension (mm) | L600*P900*H2000 | |
Points forts du design
Tout en un : L'armoire est hautement intégrée. Elle est particulièrement bien adaptée aux besoins des réseaux de communication qui exigent un déploiement rapide, un fonctionnement efficace et une extension flexible.
Conception de la surveillance des disjoncteurs : Intègre plusieurs mécanismes de protection (surcharge, court-circuit, sous-tension) pour surveiller en temps réel l'état et les paramètres du disjoncteur. Permet la gestion à distance pour la détection précoce des défauts potentiels.
Conception de distribution multi-énergie : Ce système combine alimentation CC, batterie bidirectionnelle et distribution photovoltaïque, le tout protégé contre les surtensions. La distribution CC intègre une protection BLVD pour éviter la décharge excessive de la batterie et prolonger sa durée de vie.
Conception de modules remplaçables à chaud : Les modules remplaçables à chaud 1U prennent en charge le remplacement à chaud en ligne, assurant une alimentation continue de la batterie et de la charge. Ils intègrent un partage intelligent du courant, une redondance de secours et un réglage flexible de la puissance de sortie.
Système de surveillance centralisé : Le système de surveillance FSU intégré, doté d'une architecture serveur/serveur, prend en charge l'accès réseau. Il assure la surveillance centralisée des modules redresseurs, des modules MPPT photovoltaïques, des onduleurs et des batteries au lithium, et offre une interface utilisateur riche et interactive.
Conception de protection contre les surtensions : Doté de parafoudres AC SPD, PV SPD et DC SPD (parafoudres), avec des fusibles remplaçables à chaud pour un remplacement facile, il protège efficacement les équipements contre la foudre et les surtensions transitoires de fréquence électrique.
Scannez vers WeChat:everexceed
